
The Regency TR-1 was the first commercially manufactured transistor radio, introduced in 1954. Despite mediocre performance, about 150,000 units were sold, due to the novelty of its small size and portability. Previously, transistors had only been used in military or industrial applications, and the TR-1 demonstrated their utility for consumer electronics, offering a prescient glimpse of a future full of small, convenient hand-held devices that would develop into calculators, mobile phones, tablets and the like. Surviving specimens are sought out by collectors.

Conception
In May 1954, Texas Instruments, previously a producer of instrumentation for the oil industry and locating devices for the US Navy, was looking for an established radio manufacturer to develop and market a radio using their transistors. No major radio maker, including RCA, Philco, and Emerson, was interested. Ed Tudor, the president of Industrial Development Engineering Associates, (I.D.E.A), a builder of home antenna boosters, jumped at the opportunity to manufacture the TR-1, predicting sales of the transistor radios would be "20 million radios in three years."[1][2]
The Regency Division of I.D.E.A announced the TR-1 on October 18, 1954, and put it on sale in November 1954.
Design
The Regency TR-1 circuitry was refined from the Texas Instruments drawings, reducing the number of parts, including two expensive transistors. Although this severely reduced audio output volume, it let I.D.E.A. keep the price down to $49.95, ($510 in 2021), which was a significant amount of money for such a small, untried object.[3] One year after the TR-1 release, sales approached 100,000 units.[4] While the radio was praised for design aesthetics, novelty and small size, because of the cost cutting measures, the sensitivity and sound quality were behind the established vacuum tube based competitors, and reviews were typically adverse. A review in Consumer Reports mentioned the high level of noise and instability on certain radio frequencies, and recommended against purchase.[5]
Aesthetics
I.D.E.A. outsourced the TR-1 exterior design to the industrial design firm of Painter, Teague and Petertil. The design was created within six weeks by way of telephone and design sketches exchanged by mail. The design won an award from the Industrial Design Society of New York and was selected by the Museum of Modern Art for the American Art and Design Exhibition in Paris in 1955.[6]
The TR-1 was initially offered in black, bone white, mandarin red, and cloud gray, it was later uncommonly offered in olive green, mahogany, and eventually in rare colors including lavender, pearl white, turquoise, pink, and lime. It was advertised as measuring 3" × 5" × 1.25" (7.62 × 12.7 × 3.2 cm) and weighed 12 ounces (340 g) including the 22.5 volt battery. It came in a cardboard box with the color stamped on the end. An optional earphone sold for $7.50.[7]
The red triangles on the frequency dial mark the CONELRAD frequencies of 640 and 1240 kHz.
Technical design
The TR-1 uses Texas Instruments' NPN transistors, hand-picked in sets of four. A 22.5 volt battery provides power, since the only way to get adequate radio frequency performance out of early transistors was to run them close to their collector-to-emitter breakdown voltage. The current drain from this battery is only 4 mA,[8] allowing 20 to 30 hours of operation, in comparison to only several hours for the portable receivers based on vacuum tubes.[5] The Regency TR-1 was patented[9] by Richard C. Koch, Project Engineer at I.D.E.A.[10]
Circuit


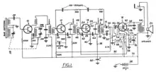
The TR-1 is a superheterodyne receiver made[11] with four n-p-n germanium transistors and one diode. It contains a single transistor converter stage, followed by two intermediate-frequency amplifier stages. After detection, a single-transistor stage amplifies the audio frequency. All amplifier stages use common emitter amplifiers. Stages are transformer coupled, with tuned transformers for the intermediate frequency amplifiers and a miniature audio transformer for the loudspeaker. The intermediate frequency transformers are paired with capacitors, and hand tuned to the intermediate frequency (262 kHz[8]) using movable cores.
The circuit was designed so as to get the maximum possible gain out of the first three transistors (which operated at radio frequencies). The first transistor used as a frequency converter was operated very close to its VCBO of 30 volts (from the 22.5 volt battery). This gives a larger depletion layer between the collector and the base which reduces the parasitic feedback due to the Miller effect and extends the frequency range. A lower voltage, however, will reduce the depletion layer width, increasing the collector-base feedback capacitance. This has an unusual effect. Because the IF strip is neutralised at the *expected* values of feedback capacitance, the TR-1 IF strip will break into oscillation at low battery voltages. On test, this occurred below about 16 volts. The two intermediate frequency amplifier transistors are neutralised to cancel out their parasitic Miller effect feedback which also extends their frequency range. Replacement transistors were supplied with the correct neutralising capacitor of 100-200 pF.
The receiver has automatic gain control. The DC level of the detected signal is filtered with a large capacitor and used to control the gain of the first IF stage.[12]
The 22.5 V battery, while now uncommon, is still used in some devices and as of 2020 remains available on the market.[13] The minimum required voltage is lower, about 15 V, below which the radio oscillates. An electrolytic capacitor is connected in parallel to the battery to improve stability. The power switch is coupled with the volume control.
Manufacture
Regency began assembling the TR-1 on October 25, 1954, supervising a collective effort by manufacturers around the United States.[7][2]
- Transistors and transformers came from Texas Instruments of Dallas, Texas.
- IF transformers came from Vokar of Dexter, Michigan.
- Tuning capacitor came from Radio Condenser of Camden, New Jersey.
- Capacitors came from International Electronics of Nashville, Tennessee, Erie Electronics of Erie, Pennsylvania, and Centralab of Milwaukee, Wisconsin.
- Germanium diode came from Tungsol and Raytheon.
- Resistors came from unknown sources.
- Volume control came from the Chicago Telephone Supply of Elkhart, Indiana.
- Speaker came from Jensen of Chicago, Illinois.
- PCB material came from Richardson Company of Melrose Park, Illinois and Indianapolis, Indiana.
- Etched PCBs came from Croname of Chicago, Illinois.
- Plastic case came from Argus Plastics of Indianapolis, Indiana.
See also
- List of radios – List of specific models of radios
References
- ↑ Lane, David; Lane, Robert (1994). Transistor Radios: A Collector's Encyclopedia and Price Guide. Wallace-Homestead Book Company. ISBN 0-87069-712-9. page 3
- 1 2 Smicoe, Robert J. "The Revolution in Your Pocket". Invention & Technology Magazine, Fall 2004, Volume 20, Issue 2. Archived from the original on 2006-08-20. Retrieved 2010-04-20.
- ↑ Pies, Don (1998). "Regency TR-1 Transistor Radio History". Retrieved 2019-02-19.
and 140,000 TR-1's poured off the production line
- ↑ Lane, David; Lane, Robert (1994). Transistor Radios: A Collector's Encyclopedia and Price Guide. Wallace-Homestead Book Company. ISBN 0-87069-712-9. page 4
- 1 2 Schiffer, M. B. The portable radio in American life. — University of Arizona Press, 1991. — P. 170–178. — 259 p. — ISBN 9780816512843
- ↑ Handy, Erbe, Blackham, Antonier (1993). Made In Japan : Transistor Radios of the 1950s and 1960s. Chronicle Books. ISBN 0-8118-0271-X.
{{cite book}}
: CS1 maint: multiple names: authors list (link) pages 15–17 - 1 2 Reyer, Steve (Dr.) "Regency TR-1 Transistor Radio Facts and Figures". Retrieved December 2, 2012
- 1 2 TR-1, The First Transistor Radio Receiver. Technical Data And Service Notes. — Regency Div. I.D.E.A. Inc., Indianapolis, Ind., P. 2 Archived May 6, 2005, at the Wayback Machine
- ↑ US 2892931, Koch, Richard C., "Transistor radio apparatus", published 1959-06-30, assigned to I.D.E.A. Inc.
- ↑ Pies, Don (1998). "Regency TR-1 Transistor Radio History". Retrieved 2019-02-19.
Regency's master engineer, Dick Koch
- ↑ Regency schematic
- ↑ Lee, T. C. The Design of CMOS Radio-Frequency Integrated Circuits. — Cambridge University Press, 2004. — P. 271–272. — 797 p. — ISBN 9780521835398
- ↑ "Eveready 412 Carbon Zinc 22.5V Battery NEDA 215, 15F20, BLR122". Batteriesinaflash.com.
External links

- Regency TR-1 Service Manual, Circuit Description, Schematic, Parts List, and Production Change Bulletin (schematic change after serial number 105,500 - diode is drawn in wrong direction)
- Assembly of the TR-1 Transistor Radio in 1955 - youtube
- Regency TR-1 Transistor Radio History - website with many historical references on the web and in published literature